LED背光系統與電源解決方案
摘要
2010年代後,使用在液晶顯示器(Liquid Crystal Display, LCD)背光源的冷陰極螢光燈管(Cold cathode fluorescent lamp,CCFL)逐漸被發光二極體(Light-Emitting Diode, LED)所取代,這是因為成分無汞的LED在散熱效率演色性及成本上有所改進。
|
圖一、LED TV draw much lower current than LCD TV which use CCFL bulbs, thus resulting in lower power consumption.
|
各家LCD電視廠商紛紛積極導入發光二極體背光液晶顯示電視來達到薄型化特點,企圖在家用電視改朝換代之際能夠增加市占率,且LED back light機種的滲透率持續提高,目前台灣市面上大部分的機種已經以LED為LCD背光源。
發光二極體背光技術可分為直下式(direct type)與側光式(edge LED type)兩種,而當中直下式所使用的發光二極體有分為白光發光二極體與紅、綠、藍三色發光二極體兩種,本文將針對此兩者的差異及系統面LED驅動電源管理解決方案做介紹,圖二為應用在筆記型電腦的四通道LED Driver RT8510參考功能圖,上半部為升壓型轉換器(Boost Converter)提供LED燈串所需電壓,下半部則為定電流調光控制器。

圖二、LED Driver RT8510參考功能圖
一、側光式及直下式背光技術
背光模組為液晶顯示器的光源,是由光源、導光板、擴散片等元件所組成。隨著液晶電視與行動筆電的日益盛行,因應面板大型化與薄型化的趨勢,結合LED節能背光模組成為現階段的開發重點。側照式發光二極體背光技術是把白光發光二極體放在LCD的四邊,發光二極體從LCD與反光片之間的縫中照進去,反光片能把LED照來的光作反射後照向LCD的背部,使發光二極體的光平均地分佈地照到LCD背部,此種方式為目前最常使用的技術,優點是成本低和薄型化特點。

圖三、側照式背光模組
直下式發光二極體背光技術是把多枚發光二極體排成列陣,放在散光片及LCD後面,直接照射LCD。如此,直下式可以依從畫面不同部份的光度變化,快速地微調發光二極體的明暗,大為提高動態對比度。缺點則是需使用數量較多的發光二極體,價格較高,背光模組也會增加厚度。發光二極體背光一般都使用白光發光二極體,也有高階機種開始使用紅、綠、藍三種單色發光二極體(RGB LED)來達到更佳的廣色域表現。
表一、側光式及直下式背光技術比較

二、LED驅動IC重要特點
使用者通常在選用LED driver IC時會考慮以下特點:
1. LED電流精準度(Accuracy):LED電流設定可由ISET pin的外部電阻RISET控制,經由電流鏡給current source 元件做比較,計算出的理論值和實際電流的誤差量百分比即為精準度。
2. LED電流匹配度(Matching):現今的LED陣列排列方式有很多種,如果採取並聯方式則需要針對每一串列彼此間流過的LED電流是否一致以增加燈串間的均勻度,電流通常和亮度有絕對的正比關係。
3. 調光方式(Dimming Type):能否調光已經是現今LED driver必備的功能,目前主要分為類比調光(Analog Dimming)和數位調光(PWM Dimming);後者的光座標演色性較佳,但也較容易碰到音頻噪音的問題,下一章節則會針對此缺點做改善的方法。
4. LED電流線性度(Linearity):在調光時,輸出電流(LED Current)會跟著PWM訊號 duty做變動,此兩者之間的關係即為線性度,通常在PWM duty較小及調光頻率較高時,LED電流線性度會較為嚴苛,圖四為RT8510線性度參考曲線。

圖四、RT8510線性度參考曲線
三、Power Solutions
目前TV機種較普遍的電源架構,會經由LLC或Flyback系統提供直流電源給升壓或降壓轉換器驅動LED陣列,再由LED Current Regulator箝制在所需要的亮度。不過近年也有直接從LLC或Flyback系統驅動LED陣列,再經由控制IC來調整前級電壓。
圖五為其電源管理方案應用線路示意圖,左方的RT8525即為上圖DC-DC Boost,提供足夠電壓驅動LED陣列,再透過Current Regulator RT8300來做定電流及調光功能,其中兩者是透過DHC (Dynamic Headroom Control)來做控制;背光模組在開機後,LED晶粒的Vf特性會因為溫度升高後而降低,若輸出電壓固定,會使得落在IC LED1~4 pin的端電壓升高,而讓Current Regulator RT8300功率消耗及溫度升高,如此會讓整體效率降低且無法通過對IC表面溫度的規範,所以必須要有一套機制來讓Boost提供的輸出電壓降低。

圖五、電源管理方案應用線路示意圖
DHC即為此而生,RT8300會在所有LED通道中找出所最低電壓的通道,並箝制工作電壓在如下圖所需要的值,而此值會和所流經的電流成正比的關係。

圖六、RT8300線性度參考曲線
若最低電壓通道上的跨壓高於上圖對應電壓值,RT8300 VFB pin就會將電壓拉高,透過R3到VREF使得VOUT能夠降下來,反之跨壓過低,VFB pin就會將電壓拉低,如圖七所示為其線路圖及用重疊定理算出相對應的公式。

圖七、RT8300 DHC線路圖

對於不同應用的背光模組所需要的瓦數也會有所差異,通常LCD尺寸愈大會需要更多的LED陣列來提供所需的亮度,IC及功率元件的功耗就會提高並使得溫度表現更嚴苛(Thermal performance) ,所以相較於筆記型電腦的背光電源管理方案,桌上型螢幕輸出功率較大,IC內部的MOSFET就會以External的形式為主,更高瓦數的應用則為LCD電視,current source的元件就會改以外部驅動以降低IC表面溫度,以下則為相對應的電源管理方案。

圖八、各種應用相對應的電源管理方案
四、音頻噪音改善方法
電子產品對於音頻噪音皆有相對應的規範,尤其可攜式的電子產品愈來愈普及,其搭配的背光模組的噪音規範也愈嚴苛,在應用端發生音頻噪音的時機通常是在調光模式中,通常發生的主要原因為輸出積層電容(MLCC)隨輸出電流開關的共振。數位調光中,PWM LED電流負載是重載和無載的切換,負載突然的變動則會造成輸出電壓漣波(Ripple)增大,而此漣波落在人耳的聽覺範圍則會產生音頻噪音,圖九為RT8510 調光時的示意波形。
CH1 = PWM, CH2 = Vout,ac, CH3 = VLX, CH4 = ILED

圖九、RT8510 調光時的示意波形
解決音頻噪音的方法有很多種,以下舉例給使用者做為參考:
1. 增加輸出電容容值以降低輸出漣波:此法為最初步的做法,缺點是增加成本。
2. 改變PWM調光頻率以避開音頻範圍:人類耳朵所能聽到的音頻範圍是20kHz,缺點是會犧牲調光線性度。
3. Mixed Mode:在較低的PWM duty時自動改變為類比調光進而降低噪音。
4. Phase Shift Function:多通道的驅動IC中,依序開啟每個通道進而改善load transient的表現。
5. 增加OVP電阻阻值:主要是讓PWM off時,負載及輸出電壓壓降減小進而降低噪音。
6. 改以低噪音改善方案的積層電容(MLCC):輸出電容的大小會影響其漣波,而漣波過大就會在電容基層間形成共振發出噪音,低噪音的電容在製程上加強容值對其跨壓的表現,即使承受較高的DC Bias也會保持相對應的容值,圖十即為新製程(低噪音改善方案)和舊製程的比較曲線。

圖十、積層電容新製程和舊製程等效容值比較曲線
五、保護機制
LED 驅動電路通常有以下保護:
1. SLP (Short LED Protection):當LED 再組裝貼片時如果發生short,燈串的總順向電壓Vf就會降低,而使得落在VLEDX的端電壓過高,此保護機制即可偵測其電壓過高而發出訊號,有些機種會選擇關掉有問題的燈串,也有些是選擇關掉整組驅動電路,使用者亦可透過RSLP電阻的設定來調整SLP的電壓設定。

圖十一、RT8300 SLP示意圖
2. OLP (Open LED Protection):當LED燈調在組裝或使用時如果接觸不良,此保護機制也會在開機時偵測電壓是否過低而發出訊號警示。
3. OVP (Over Voltage Protection):當電路發生過電壓時,保護機制會透過分壓電阻來偵測進而保護輸出端,通常會箝制在OVP設定的電壓,不會將電路關閉。圖十二為RT8300保護機制流程。

圖十二、RT8300保護機制流程
六、 3D / 區域調光
近幾年高階TV機種開始將3D應用及區域調光(Local Diming)產品化,以下分別此兩種特點做簡介:
1. 3D調光:在3D mode時,通常PWM duty會減少,對應於背光模組的亮度則會提高,使得人眼左右眼所看的景象可以差異化而達到景深的效果。圖十三為功能示意圖,LED驅動電路(RT-CVT)需要3D眼鏡轉板和Main Board做同步來達到左右眼開關。

圖十三、3D調光功能示意圖
2. 區域調光(Local Diming):高階機種為了提高對比度會使用此方法讓暗的畫面區塊的背光降低,視覺會因此覺得更暗;反之,較為明亮的畫面區塊則提高倍光亮度,所以區域調光所需要的功耗也會較小以達到節能的功效,圖十四為64區區域調光範例示意圖,亮度區塊分得愈多,區域調光的優勢愈明顯,但會提高控制複雜度及成本。

圖十四、64區區域調光範例示意圖
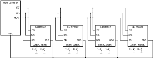
為了達到區域調光,一般使用的I2C介面頻寬傳輸已不敷使用,例如4-CH, Programmable Current Sink LED Driver RT8302就是使用串列外設介面(Serial Peripheral Interface Bus, SPI)來作為訊號傳輸介面。
|
SPI Mode – Digital Interface Pins
|
|
CS(N)
|
Chip Select Input
|
|
SDO
|
Serial Data Output
|
|
SDI
|
Serial Data Input
|
|
VSYNC
|
Video Sync Signal Input
|

圖十五、RT8302 SPI介面應用線路示意圖
下圖為RT8302 SPI讀寫指令示意圖。
Read Command:

Write Command:

圖十六、RT8302 SPI讀寫指令示意圖
七、結論
LED背光驅動系統隨著節能規範,成本降低及效能表現提升因素而改變架構,驅動IC也需跟著做變化,且因應不同瓦數( TV/ Monitor/ Notebook/ Tablet )的LED燈串陣列會有不同的電源管理方案,如何去協助客戶端處理音頻噪音、系統效率提升及通過元件表面溫度規範亦為目前的重要目標。